Mér sýnist þessi gaur vera með eitthvað sem ég gæti byggt á.
p.s. ég held ég byrji á því að kveikja og slökkva á ljósadíóðum áður en ég set saman eitthvert róbottið
Rednex skrifaði:ég fann hérna eina mjög svo áhugaverðasíðu á google
http://algoval.essex.ac.uk/cec2005/race/ParSoftware.html
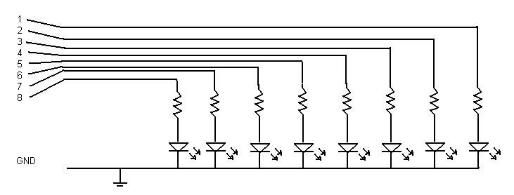
En þegar þú minntist á að stjórna skjám ákvað ég að benda ykkur á eitt skemmtilegt video þar sem röðum af ljósadíóðum er breytt í skjá![]()
http://www.youtube.com/watch?v=R9b8kby30Ys&feature=related


Kóði: Velja allt
LEDTest.java:17: cannot find symbol
symbol : constructor ParallelPort()
location: class parport.ParallelPort
ParallelPort pp = new ParallelPort();
^Rednex skrifaði:Síðan er eitt sem ég er ekki klár á. Ég veit bara ekkert hversu stór viðnám ég á að hafa á þessu. Þegar ég ætlaði að nota menntaskólaeðlisfræðina mína, V = I*R, til að finna spennufallið sem ég þurfti til að steikja ekki díóðuna gat ég bara ekki látið það ganga upp. Ég sá að batterýin tvö gáfu 2,5 amper skv. straumælinum mínum ef ég setti á pólanna á batterýunum. Til að lækka spennuna úr 4,5v í 3v hefði viðnámið átt að vera 0,6 ohmHins vegar notaði ég 10ohm viðnám þarna (sem er það minnsta sem fylgdi pakkanum). Skv því hefði spennufallið átt að vera 2,5*10 = 25 v
Það gengur náttúrulega ekkert upp.
Ég er nú ekki enn búinn að steikja neitt en endilega fræðið mig um hvað ég er að gera rangt...
Rednex skrifaði:Ég held ég sé að ná þessu
Ég gerði ráð fyrir að straumurinn í rásinni væri jafn mikill og batterýið gæti gefið mikið... en ekki hvað díóðan "tæki" í raun mikið.
Hvernig get ég samt takmarkað hversu mikill straumur fer í gegnum smárann ? Kallinn í búðinni sagði að hann þyldi bara 250mA. Viðnám "framkvæma" í raun bara spennufall en ekki straumfall, ef það orð er til. Ég mætti tæknilega séð láta hvaða spennu sem er, innan skinsamlegra marka, fara í gegnum smárann en þarf bara að athuga að straumnum. Verð ég bara að passa að setja ekki of öflugt batterý í rásina ?
Rétt
mainman skrifaði:Er "kallinn i búðinni" nokkuð gaurinn í Íhlutir í skipholti ?
Ef það er hann, þá ættirðu að spurja hann frekar útí þetta project hjá þér því ég sá einhverntíman svona hugbúnað og eitthvað kitt til að stjórna nánast hverju sem er í gegnum paralell í búðinni hjá honum.